Home
List your patent
My account
Help
Support us
structure based orientation indication device
[Category : - Navigation and orientation]
[Viewed 1825 times]
The said invention is a Rotary Position Sensor.
It detects orientation of a platform ( it is attached to ) about the pitch, roll and yaw axes.
The advantage of the SBOIDis that a single unit can detect orientation about all 3 axes instead of one unit of an RPS per axis as in existing technologies.
DESCRIPTION : The report details an engineering art work of an indication device. The prime goal of this engineering work is to determine the orientation of a platform about pitch, roll and yaw axes. The indication device is known as Structure Based Orientation Indication Device (SBOID). The Structure Based Orientation Indication Device (SBOID) utilizes a simple construction to determine the orientation of the platform to which the Structure Based Orientation Indication Device (SBOID) is fixed onto.
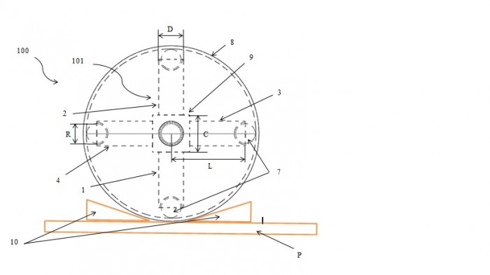
The Structure Based Orientation Indication Device (SBOID) consists of a mutually perpendicular rod structure. The device comprises an enclosure, a plurality of rods fixed together at their one end forming a rod structure. The mutually perpendicular rod structure comprises of three rods fixed mutually perpendicular to each other. The rods are fused together at their centers, forming six rods of equal length, and the rods are perpendicular to each other at fusing point. The mutually perpendicular rod structure is mounted inside the enclosure. The tip end of each rod is provided with rollers wherein, each roller provided at the tip is such that the roller is partially projected out of the tip end of the rod.
Further, at least one rod of the mutually perpendicular rods is configured to be heavier ( shown hatched in image-1 ) than the other rods, and said heavier rod is adapted to point towards gravity.
The enclosure is spherical. The center of each roller is equidistant from the center of the rod structure.
The roller bearings may be ball bearings, roller bearings, journal bearings, plain bearings, acrylic bearings, Polyvinyl chloride (PVC) bearings, synthetic material bearings and the like.
The entire orientation indication device is firmly fixed onto a platform for which the orientation has to be determined along the three mutually perpendicular axes (pitch, roll and yaw).
The platform can be inclined at an angle with respect to the horizontal. Even if the enclosure/platform is inclined at an angle the rod structure having the heavier rod always points towards gravity.
Based on the directional forces applied on the platform the orientation indicating device orients itself towards gravity due to the provision of heavier rod ( which orients itself along the gravitational vector ) in comparison with the other rods.
Thereby indicates the orientation of the platform.
Financial informationAssignment sought.
This IP has not been marketed before.
The following FAQs in the context of this product :
What is the commercial application of this patent and what is the size of the market ? : This product when coupled with sensors can be used as a Rotary Position Sensor ; the RPS can be used to determine the orientation of an object/platform about the pitch, roll and yaw axes ; this will find extensive use in gyroscopes ( to be used on aviation and maritime based platforms ) and in the machining industry ;
Is it sold standalone or integrated into a larger product ? : As stated above there are three levels of integration possible ; the first level is the SBOID being combined with sensors to form an RPS ; the next level is the RPS being integrated into gyroscopes ; the third level is the gyroscope being integrated into maritime/aviation-based platforms ; it can be used at the first level of integration on machining platforms ;
How crowded is the market ? : The competition is primarily from Laser/MEMS gyros and Rotary Encoders.
The advantages of the SBOID are it's ease of manufacture and the fact that one unit is sufficient to determine angular orientation about all three axes ( pitch ; roll ; yaw ; )
Is this a unique invention or is this an improvement ? : This is a unique invention ; I have a Prior Art Search Report to validate this claim.
The global RPS market is worth several billion USD ( this can be validated off the Net).
No other IP is associated with subject patent.
Patent publications:No publication
Asking price:
Make an offer



[ Home
| List a patent
| Manage your account
| F.A.Q.|Terms of use
| Contact us]
Copyright PatentAuction.com 2004-2017
Page created at 2025-11-07 1:51:09, Patent Auction Time.